









.png)
.png)
_4.png)





Milling Drilling Contouring Planing
Included with purchase:
- 3, 6 or 10 meter cable (length to be chosen) on the short side
- Long and short side end stops
- Clamps
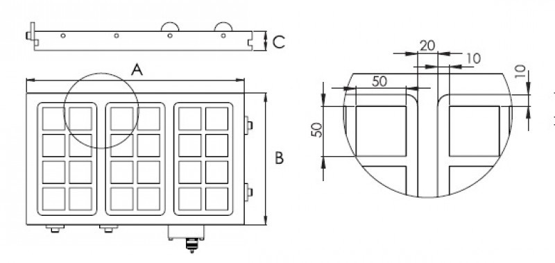
Pole pitch: 50 x 50 mm
Force per pole: 400 daN
Admissible wear of top plate: 4 mm
Voltage: 340 VDC
Magnetic field height: 10 mm
| CODE | Weight Kg | A | B | C | D: Nb poles |
|---|---|---|---|---|---|
| 10.33.50.SQ1.320320 | 30,0 | 320 | 320 | 43 | 16 |
| 10.33.50.SQ1.490295 | 44,0 | 490 | 295 | 43 | 24 |
| 10.33.50.SQ1.490420 | 63,0 | 490 | 420 | 43 | 36 |
| 10.33.50.SQ1.490475 | 71,0 | 490 | 475 | 43 | 42 |
| 10.33.50.SQ1.490575 | 86,0 | 490 | 575 | 43 | 48 |
| 10.33.50.SQ1.640295 | 58,0 | 640 | 295 | 43 | 32 |
| 10.33.50.SQ1.640420 | 83,0 | 640 | 420 | 43 | 48 |
| 10.33.50.SQ1.640475 | 93,0 | 640 | 475 | 43 | 56 |
| 10.33.50.SQ1.640575 | 113,0 | 640 | 575 | 43 | 64 |
| 10.33.50.SQ1.795295 | 71,0 | 795 | 295 | 43 | 40 |
| 10.33.50.SQ1.795420 | 102,0 | 795 | 420 | 43 | 60 |
| 10.33.50.SQ1.795475 | 116,0 | 795 | 475 | 43 | 70 |
| 10.33.50.SQ1.795575 | 140,0 | 795 | 575 | 43 | 80 |
| 10.33.50.SQ1.950295 | 95,0 | 950 | 295 | 43 | 48 |
| 10.33.50.SQ1.950420 | 122,0 | 950 | 420 | 43 | 72 |
| 10.33.50.SQ1.950475 | 137,0 | 950 | 475 | 43 | 84 |
| 10.33.50.SQ1.950575 | 168,0 | 950 | 575 | 43 | 96 |
For any request or information fill out this form, we will reply as soon as possible.
Fields marked with an asterisk (*) are required.